064-732-7330 l 로그인 l 회원가입

SEOGWIPO SPORTS CLUB ASSOCIATION
서귀포시스포츠클럽과 함께 당신의 심장을 뛰게 하라

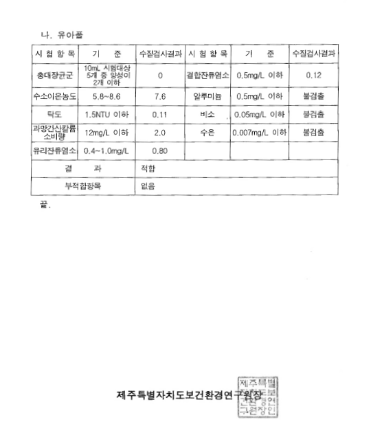
  • 제목 2025년 서귀포시민문화체육복합센터 수영장수 수질검사 결과알림
  • 작성자 관리자 (admin) (DATE: 2025-12-11 17:00:09)
  • 첨부파일 No Data

스크랩 :



   



오시는길 l 개인보호취급방침 l 이용약관

주소 : 제주특별자치도 서귀포시 동홍로 30 / TEL: 064-732-7330 / FAX: 064-732-7335
COPYRIGHTⓒ 서귀포 시민문화·체육복합센터 All Rights Reserved.
본 홈페이지에서는 이메일 주소가 자동수집되는 것을 거부하며, 이를 위반시 정보통신망법에 의하여 처벌됨을 유념하시기 바랍니다.